欢迎进入深圳市鑫科隆工业自动化有限公司企业官网!联系我们网站地图
全国服务热线:

13823737296  0755-29666402

ky在线平台展示
热门ky在线平台
  • KAH高精密螺旋齿行星减速机
    KAH高精密螺旋齿行星减速机

    深圳市鑫科隆工业自动化有限公司是一家集研发、制造、销售服务于一体的高新科技企业。是由一群拥有工作热忱及自动化经验丰富的专业人士组成的工作团队。自成立以来,一直致力于精准定位滑台、中空旋转平台、控制器(PLC一体机)以及电子伺服等自动化传动元件的自主研发和应用。

    查看详细
  • KFZ精密行星减速机
    KFZ精密行星减速机

    深圳市鑫科隆工业自动化有限公司是一家集研发、制造、销售服务于一体的高新科技企业。是由一群拥有工作热忱及自动化经验丰富的专业人士组成的工作团队。自成立以来,一直致力于精准定位滑台、中空旋转平台、控制器(PLC一体机)以及电子伺服等自动化传动元件的自主研发和应用。

    查看详细
  • TH精密直角减速机
    TH精密直角减速机

    深圳市鑫科隆工业自动化有限公司是一家集研发、制造、销售服务于一体的高新科技企业。是由一群拥有工作热忱及自动化经验丰富的专业人士组成的工作团队。自成立以来,一直致力于精准定位滑台、中空旋转平台、控制器(PLC一体机)以及电子伺服等自动化传动元件的自主研发和应用。

    查看详细
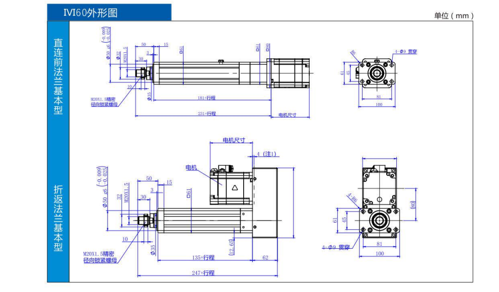
  • IVI60电动缸
    IVI60电动缸

    直线式电动缸本系列电动缸集成了交流伺服电机、伺服驱动器、高精度滚珠丝杆、模块化设计等技术,整个电动缸具有结构紧凑、惯量小、响应快、 低噪音和长寿命等特点。伺服电机与电动缸的传动丝杆直接相连接,使伺服电机的编码器直接反馈电缸移动活塞的位移量,减少了中间环节的惯量和间隙,提高了控制性和控制精度。伺服电机与电动缸整体相连,安装容易、设定简单、使

    查看详细
  • IVI50电动缸
    IVI50电动缸

    直线式电动缸本系列电动缸集成了交流伺服电机、伺服驱动器、高精度滚珠丝杆、模块化设计等技术,整个电动缸具有结构紧凑、惯量小、响应快、 低噪音和长寿命等特点。伺服电机与电动缸的传动丝杆直接相连接,使伺服电机的编码器直接反馈电缸移动活塞的位移量,减少了中间环节的惯量和间隙,提高了控制性和控制精度。伺服电机与电动缸整体相连,安装容易、设定简单、使

    查看详细

直线式电动缸
直线式电动缸 直线式电动缸 直线式电动缸 直线式电动缸 折返式电动缸 折返式电动缸 折返式电动缸 折返式电动缸

IVI60电动缸

直线式电动缸本系列电动缸集成了交流伺服电机、伺服驱动器、高精度滚珠丝杆、模块化设计等技术,整个电动缸具有结构紧凑、惯量小、响应快、 低噪音和长寿命等特点。伺服电机与电动缸的传动丝杆直接相连接,使伺服电机的编码器直接反馈电缸移动活塞的位移量,减少了中间环节的惯量和间隙,提高了控制性和控制精度。伺服电机与电动缸整体相连,安装容易、设定简单、使
  • ky在线平台介绍

直线式电动缸

本系列电动缸集成了交流伺服电机、伺服驱动器、高精度滚珠丝杆、模块化设计等技术,整个电动缸具有结构紧凑、惯量小、响应快、 低噪音和长寿命等特点。伺服电机与电动缸的传动丝杆直接相连接,使伺服电机的编码器直接反馈电缸移动活塞的位移量,减少了中间环节的惯量和间隙,提高了控制性和控制精度。伺服电机与电动缸整体相连,安装容易、设定简单、使用方便。电动缸的主要零部件均采用国外名牌ky在线平台,性能稳定、故障率低、可靠性高。

折返式电动缸

折返式电动缸由于整体长度短,适用于安装位置比较小的场合。同时本方案选用的同步带,具有强度高、间隙小、寿命长的特点,使整个电动缸具有较高的控制性和控制精度。伺服电机与电动缸配合灵活,安装容易、设定简单、使用方便。

电动缸相较其他传动件的优势

1.自锁性能--普通齿丝杠电动推杆,由于蜗轮蜗杆结构,大部分有绝对动载自锁功能,增加设备运行安全性;滚珠丝杠电动推杆和伺服电动缸不能绝对自锁,但可以在电机加制动器自锁;

2.精度定位--伺服 电动缸综合位置精度可至0.01mm;

3.精确控制--配置编码器, 压力传感器,位移传感器,实现闭环精确定位;驱动系统--直流电机12/24V,单项交流电机,三相交流电机,伺服电机等,无需气源/液压源,维护更简单方便,能耗低;

5. 过载保护--可配备安全离合器防过载;也可配备过载压力传感器防过载;

6.维护简单--噪音低, 可在高/低温,防腐/防爆恶劣环境正常工作。

7.电动直线传动设备重要特点: 自锁性能,精度定位,速度控制,推力控制,维护简单。





ky在线平台询价
如果您对我们的ky在线平台感兴趣并想了解更多详细信息,请在此处留言,我们将尽快回复您。
相关商品
XXY对位平台
XXY对位平台
深圳市鑫科隆工业自动化有限公司是一家集研发、制造、销售服务于一体的高新科技企业。是由一群拥有工作热忱及自动化经验丰富的专业人士组成的工作团队。自成立以来,一直致力于精准定位滑台、中空旋转平台、控制器(PLC一体机)以及电子伺服等自动化传动元件的自主研发和应用。
TH精密直角减速机
TH精密直角减速机
深圳市鑫科隆工业自动化有限公司是一家集研发、制造、销售服务于一体的高新科技企业。是由一群拥有工作热忱及自动化经验丰富的专业人士组成的工作团队。自成立以来,一直致力于精准定位滑台、中空旋转平台、控制器(PLC一体机)以及电子伺服等自动化传动元件的自主研发和应用。
TA精密直角减速机
TA精密直角减速机
深圳市鑫科隆工业自动化有限公司是一家集研发、制造、销售服务于一体的高新科技企业。是由一群拥有工作热忱及自动化经验丰富的专业人士组成的工作团队。自成立以来,一直致力于精准定位滑台、中空旋转平台、控制器(PLC一体机)以及电子伺服等自动化传动元件的自主研发和应用。
KFZ精密行星减速机
KFZ精密行星减速机
深圳市鑫科隆工业自动化有限公司是一家集研发、制造、销售服务于一体的高新科技企业。是由一群拥有工作热忱及自动化经验丰富的专业人士组成的工作团队。自成立以来,一直致力于精准定位滑台、中空旋转平台、控制器(PLC一体机)以及电子伺服等自动化传动元件的自主研发和应用。
KF精密行星减速机
KF精密行星减速机
深圳市鑫科隆工业自动化有限公司是一家集研发、制造、销售服务于一体的高新科技企业。是由一群拥有工作热忱及自动化经验丰富的专业人士组成的工作团队。自成立以来,一直致力于精准定位滑台、中空旋转平台、控制器(PLC一体机)以及电子伺服等自动化传动元件的自主研发和应用。
KDH高精密螺旋齿行星减速机
KDH高精密螺旋齿行星减速机
深圳市鑫科隆工业自动化有限公司是一家集研发、制造、销售服务于一体的高新科技企业。是由一群拥有工作热忱及自动化经验丰富的专业人士组成的工作团队。自成立以来,一直致力于精准定位滑台、中空旋转平台、控制器(PLC一体机)以及电子伺服等自动化传动元件的自主研发和应用。
KD高精密螺旋齿行星减速机
KD高精密螺旋齿行星减速机
深圳市鑫科隆工业自动化有限公司是一家集研发、制造、销售服务于一体的高新科技企业。是由一群拥有工作热忱及自动化经验丰富的专业人士组成的工作团队。自成立以来,一直致力于精准定位滑台、中空旋转平台、控制器(PLC一体机)以及电子伺服等自动化传动元件的自主研发和应用。
KAH高精密螺旋齿行星减速机
KAH高精密螺旋齿行星减速机
深圳市鑫科隆工业自动化有限公司是一家集研发、制造、销售服务于一体的高新科技企业。是由一群拥有工作热忱及自动化经验丰富的专业人士组成的工作团队。自成立以来,一直致力于精准定位滑台、中空旋转平台、控制器(PLC一体机)以及电子伺服等自动化传动元件的自主研发和应用。